Вас интересует, как провести настройку механизма учета пробега на автобусах марки ПАЗ? В этом материале мы подробно рассмотрим, как реализовать эту задачу, обеспечив простоту и точность подключения. Зная особенности конструкции и электроники этих транспортных средств, вы сможете избежать распространенных ошибок и ускорить процесс.
Для начала, важно подготовить все необходимые инструменты и материалы. Удостоверьтесь, что у вас есть подходящие провода, разъемы, а также мультиметр для проверки электрических соединений. Также стоит учесть, что каждое действие должно выполняться с соблюдением техники безопасности, чтобы избежать повреждений самого устройства или его элементов.
Основное внимание следует уделить правильному подключению к системе учета пробега и взаимодействию с электроникой. Пройдите последовательные этапы, проверяя каждое соединение. Это позволит не только добиться желаемого результата, но и удостовериться в надежности работы механизма в дальнейшем.
Следя за приведенной информацией и рекомендациями, вы сможете грамотно настроить механизм учета пробега и обеспечить его бесперебойную работу в вашем автобусе ПАЗ.
Определение потребности в подсоединении дополнительного устройства для учёта пройденного расстояния
Перед тем как установить дополнительное устройство для учёта пробега, важно понять, в каких ситуациях это будет актуально. Прежде всего, оцените, часто ли ваш транспорт используется в целях, где точное считывание пробега критично: документы для налогового учёта, коммерческие перевозки или контроль эффективности работы.
Обратите внимание на состояние существующего устройства. Если оно часто заедает или показывает неточные данные, это может требовать замены или модернизации системы. Проверка соединений, механических компонентов и датчиков поможет выявить наличие проблем.
Также стоит учитывать специфику эксплуатации. Автомобили, работающие в сложных условиях или на длинных дистанциях, могут требовать более точных показателей. Для муниципального или коммерческого транспорта такие данные могут быть интегрированы в систему аналитики производительности.
Не забывайте о правилах и нормативных документах, регулирующих учёт пробега. Для коммерческого использования может быть необходимость в создании точных отчётов, здесь важны не только значения, но и возможность их проверки.
Рассмотрите возможность установки дополнительного устройства, если планируется увеличить объёмы перевозок или улучшить качество обслуживания клиентов. Это позволит контролировать важные метрики и оптимизировать расходы.
В некоторых случаях, установка вспомогательного устройства может повысить стоимость ресертификации транспорта. Следует заранее оценить все расходы и выгоды от подобного решения, чтобы избежать необоснованных затрат.
Выбор подходящей подмотки для ПАЗ
При выборе устройства для корректировки показаний скорости необходимо учитывать несколько факторов. Важно понимать, какой тип механизма требуется, а также обратить внимание на совместимость с конкретной моделью автомобиля.
В первую очередь, сосредоточьтесь на типе вашего транспортного средства. Для более старых моделей достаточно механического агрегата, в то время как для современных систем может понадобиться электронное решение. Проверьте спецификации вашего автобуса, чтобы определить, какой вариант будет оптимальным.
Следующим шагом является проверка производителя. Известные бренды, предлагающие запчасти и аксессуары, могут гарантировать надежность и длительный срок службы. Ищите отзывы от других владельцев аналогичных автомобилей. Это поможет избежать неприятностей с несовместимыми деталями.
Также следует учитывать диапазон работы устройства. Многие модели имеют разные масштабы показаний: от 0 до 100 км/ч или от 0 до 160 км/ч. Выбор должен соответствовать вашим требованиям и условиям эксплуатации.
Принимая во внимание вышеуказанные параметры, полезно ориентироваться на стоимость. Цены могут варьироваться, исходя из качества и бренда. Сравните несколько предложений на рынке, чтобы найти оптимальный баланс между ценой и функционалом.
| Особенности | Рекомендации |
|---|---|
| Тип механизма | Выберите в зависимости от модели ПАЗ |
| Производитель | Отдавайте предпочтение проверенным брендам |
| Диапазон показаний | Подбирайте согласно вашим нуждам |
| Стоимость | Сравните предложения для разумного выбора |
Правильный выбор устройства для исправления показаний скорости позволит не только улучшить функциональность вашего автобуса, но и продлить срок его службы. Следите за качеством и корректностью всех узлов, связанных с этим процессом.
Необходимые инструменты и оборудование
Для успешного выполнения работы потребуется следующий набор устройств и материалов:
Инструменты:
- Набор ключей — лучше всего использовать рожковые и широкие для удобства крепления соединений.
- Отвертки — обязательно имейте в наличии как крестовые, так и плоские, чтобы работать с различными крепежами.
- Плоскогубцы — помогут надежно захватить мелкие детали и соединения.
- Кусачки — понадобятся для зачистки проводов или удаления ненужных элементов.
- Изолента — используется для изоляции соединений и обеспечения защиты от короткого замыкания.
- Кабельные стяжки — помогут организовать и зафиксировать проводку, предотвращая её повреждение.
Оборудование:
- Мультиметр — необходим для проверки электрических параметров и обеспечения правильного подключения.
- Лестница — пригодится для доступа к высокоопланетным частям транспортного средства, особенно если требуется работа с крышей.
- Рабочий стол или подъемник — обеспечивают удобство и безопасность при выполнении манипуляций.
Подготовка всех перечисленных инструментов и оборудования позволит значительно ускорить процесс и повысить качество выполнения поставленных задач.
Подготовка автомобиля к установке устройства учета пробега

Перед установкой устройства, обеспечивающего учет пробега, необходимо провести ряд подготовительных мероприятий. Обратите внимание на следующие шаги:
1. Оценка состояния электрооборудования. Проверьте аккумулятор, проводку и предохранители. Убедитесь, что система работает исправно, так как любые проблемы могут повлиять на функционирование устройства.
2. Изучение схемы подключения. Ознакомьтесь с электрической схемой вашего транспортного средства. Это позволит точно определить места подключения и избежать ошибок во время установки.
3. Подготовка необходимых инструментов и материалов. Вам понадобятся: отвертки, ключи, изолента, термоусадочные трубки и возможно, дополнительные соединительные элементы. Убедитесь, что все под рукой, чтобы избежать прерывания процесса.
4. Освобождение пространства в кабине. Уберите лишние предметы из области приборной панели. Это облегчит доступ к устройству учета и обеспечит безопасность работы.
5. Проверка доступа к датчикам. Убедитесь, что вы можете легко добраться до необходимых датчиков и узлов, к которым будет производиться подключение. Иногда их расположение может требовать дополнительного усилия для доступа.
6. Состояние колес и трансмиссии. Убедитесь, что колеса и трансмиссия находятся в норме. Неправильная работа этих элементов может привести к ошибкам в показаниях счетчика.
Процесс установки устройства учета пробега зависит от тщательной подготовки. Каждый из этих шагов способствует успешному завершению работы и оптимальному функционированию системы.
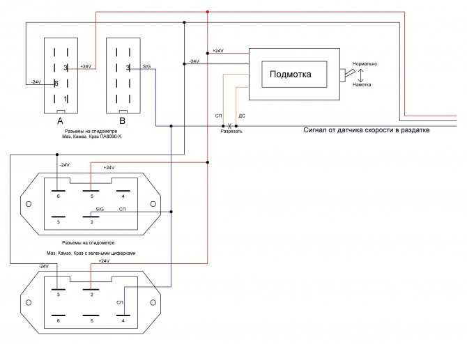
Схема подключения устройства спидометра
Правильная схема соединений позволяет обеспечить точную работу прибора и стабильность показаний. Ниже приведены основные элементы, нужные для успешного подключения:
- Источники питания: Убедитесь, что напряжение на приборе соответствует требованиям. Обычно это 12В. Проверьте состояние проводов и клемм.
- Сигнальный провод: Подключение к датчику скорости, который может находиться на коробке передач. Данный провод отвечает за передачу данных о скорости.
- Заземление: Необходимо обеспечить правильное заземление устройства. Наличие устойчивого контакта заземления поможет избежать ошибок в работе.
- Калибровка: После завершения подключения важно провести калибровку, чтобы прибор показывал правильные параметры. Обычно это можно сделать с помощью встроенного меню или специальной функции.
Следуйте данной схеме для выполнения подключения:
- Первый шаг – подготовка материалов. Вам понадобятся основной прибор, проводка, клеммы, инструмент для соединений.
- Перепроверьте полярность, особенно на источниках питания. Неправильная полярность может привести к повреждению устройства.
- Подключите сигнальный провод к соответствующему датчику. Убедитесь, что соединение не имеет дефектов и является надежным.
- Сделайте соединение заземляющего провода. Наиболее часто его подводят к металлическим частям кузова.
- Закончите работу проверкой всех подключений. Включите питание и убедитесь в правильности работы устройства.
Регулярно проверяйте состояние соединений, чтобы избежать возможных проблем в будущем. Также рекомендуется ознакомиться с рекомендациями производителя для получения дополнительных советов по эксплуатации.
Проверка работоспособности после установки
После завершения монтажа дополнительного устройства для учета пробега важно удостовериться в его правильной работе. Для этого выполните следующие шаги:
1. Запустите транспортное средство и проверьте, отображается ли информация о скорости на приборной панели. Убедитесь, что показания адекватны и соответствуют реальному скоростному режиму.
2. Чтобы проверить точность данных о пробеге, выполните тест на коротком маршруте. Сравните показания нового устройства с результатами специального измерительного прибора или навигационной системы, осуществляющей дистанционный подсчет.
3. Обратите внимание на возможность колебаний показаний. Подключенное оборудование не должно выдавать резких скачков или «замораживаться» на одном уровне. Если подобные сбои наблюдаются, возможно, необходимо провести дополнительные настройки или повторно выполнить электромонтаж.
4. Проверьте соединения: ослабленные или поврежденные контакты могут вызывать некорректную работу системы. Убедитесь, что все кабели надежны и правильно зафиксированы.
5. Используйте тестовые режимы оборудования, если таковые предусмотрены производителем. Это поможет оценить работу устройства под нагрузкой и выявить возможные неисправности.
Для анализа результатов проведите сравнительную оценку показаний в таблице:
| Этап проверки | Ожидаемый результат | Фактический результат | Заметки |
|---|---|---|---|
| Отображение скорости | Скорость соответствует реальной | ||
| Тест на пробег | Данные совпадают с измерением | ||
| Проверка стабильности показаний | Без колебаний и зависаний | ||
| Качество соединений | Нет поврежденных контактов | ||
| Тестовые режимы | Корректная работа устройства |
Настройка точности показаний
Для повышения точности измерений важно правильно откалибровать устройство. Для этого вам потребуется измерить фактическую скорость на ровном участке дороги с использованием мобильного приложения или другого способа, который показывает реальную скорость. Запишите полученные данные для дальнейшего сравнения.
Среди рекомендуемых методов калибровки – настройка коэффициента, который зависит от размера колеса. Каждый тип колес может требовать уникальных корректировок, поэтому замеры должны учитывать как параметры шины, так и давление в ней. Важно проверить, соответствует ли размер шины тому, что указано в документации транспортного средства.
После сбора информации о фактической скорости и параметрах колес, перейдите к настройке калибровки устройства. В большинстве случаев это делается с помощью специальных кнопок или меню настройки, где вводятся корректировочные коэффициенты. Изменения необходимо фиксировать и тестировать на разных скоростях, чтобы убедиться в их точности.
Если вы заметили сильные расхождения между показаниями приборов, возможно, потребуется задуматься о замене датчиков или других компонентов. Регулярная проверка состояния системы поможет избежать значительных ошибок и обеспечить надежность показателей в будущем.
Рекомендации по эксплуатации и обслуживанию
Правильное использование и содержание устройства обеспечит надежную работу на протяжении длительного времени. Приведенные ниже советы помогут избежать частых неисправностей.
- Регулярная проверка состояния: Осматривайте элементы системы на наличие повреждений или износа. Своевременное выявление проблем позволит избежать серьезных поломок.
- Калибровка: Периодически проверяйте точность показаний. Если наблюдаются отклонения, выполните корректировку, чтобы обеспечить достоверность данных.
- Очистка контактов: Поддерживайте электрические соединения в чистоте, удаляя грязь и окислы. Это минимизирует риск плохого контакта.
- Устойчивость к вибрациям: Закрепите все элементы системы надежно, чтобы избежать повреждений из-за колебаний при движении транспортного средства.
- Использование качественных материалов: При замене деталей выбирайте оригинальные запчасти или их высококачественные аналоги. Это повысит долговечность узлов.
Обратите внимание на эксплуатацию в различных погодных условиях. При низких температурах используйте средства для защиты от замерзания, а в условиях высокой влажности обеспечьте герметичность соединений.
- Следите за состоянием проводки.
- При возникновении признаков неисправностей обращайтесь в сервисные центры.
- Записывайте проведенные работы и замены для контроля срока службы компонентов.
Исторически сложилось, что регулярные проверки и поддержка устройства в исправном состоянии являются главными факторами для долгосрочной эксплуатации без проблем.
Распространенные ошибки при подключении устройства

При установке устройства для учета скорости важно избегать распространенных ошибок, которые могут привести к неправильной работе или повреждению компонентов. Ниже перечислены наиболее частые проблемы и рекомендации по их предотвращению.
- Неправильная полярность подключения: Обратите внимание на обозначения ‘+’ и ‘-‘ на кабелях. Установка в обратном направлении может вызвать короткое замыкание или вывести устройство из строя.
- Игнорирование схемы: Всегда следуйте электронной схеме подключения, предоставленной производителем. Пропуск деталей или неправильное подключение может негативно сказаться на функциональности.
- Качество проводки: Используйте провода соответствующего сечения и материала. Слишком тонкие или поврежденные провода могут привести к перегреву и ухудшению передачи сигнала.
- Плохой контакт: Убедитесь, что все соединения надежно закреплены. Неполные или слабые контакты могут стать причиной проблем с передачей данных.
- Отсутствие изоляции: Проверьте, чтобы все открытые провода были изолированы, чтобы избежать короткого замыкания в результате соприкосновения с металлическими частями.
- Недостаточная длина проводов: Убедитесь, что длины проводов достаточно для безопасного соединения. Слишком натянутые кабели могут привести к повреждениям.
Следуя этим рекомендациям, можно значительно уменьшить вероятность ошибок и повысить надежность устройства на протяжении его работы.